首頁 產品介紹 已停產 富士伺服系統
以類別搜尋
以關鍵字搜尋
已停產
產品名稱
富士伺服系統
產品型號
FALDIC-W Series
產品描述

FALDIC系列之新機型--FALDIC-W

為符合RoHs指令規範的環保型伺服系統

新增額定輸出1.8kW及2.9kW,用途更加寬廣

為了因應市場需求,FALDIC-W適用於演進中之機械。

 

FALDIC-W在追求「伺服所要求的高性能、高功能」的同時,

還搭載簡易調諧功能來提升「使用方便性」;

並通過RoHs指定規範來因應「環保需求」。

三種不同額定轉速的馬達陣容可對應「廣泛的用途」。

 


產品概況
主要規格
選件和周邊設備
一般規格
外形尺寸圖
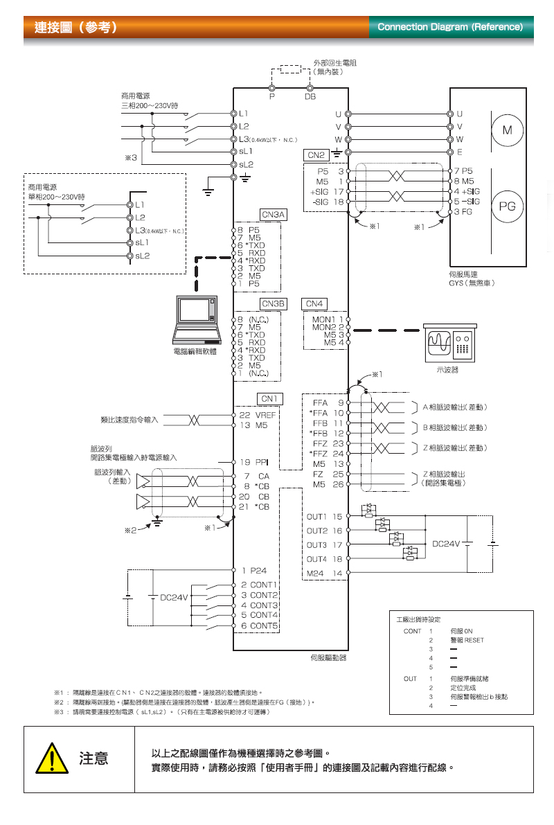
基本線路圖
主要特長
產品系列

    版權所有 ©2017 Fuji Electric Taiwan Co,.Ltd.All rights reserved.