首頁
產品及方案
產業
產業營業技術部
新產品
發電
火力發電系統
地熱發電
水力發電
燃料電池
工業自動化產品
低壓變頻器(INVERTER)
伺服馬達(SERVO)
人機介面(HMI)
可程式控制器(PLC)
計測(INSURMENT)
流量計
氣體分析儀
傳送器
溫控器及溫控模組
半導體
配電與控制
回路保護器
按鈕開關指示燈
真空斷路器
電磁接觸器/電磁開關(MMS)
高壓負載/隔離開關
泛用計時器 Card Relay
空氣(Air)斷路器
Sensors, Switches
Power monitoring equipment
低壓斷路器/漏電斷路器
高/低壓限流保險絲
已停產
首頁
售後及服務
售後服務
技術培訓
資料下載
關於我們
關於台灣富士電機
研究與發展
新聞活動
最新公告
展覽消息
聯繫我們
台北總公司
高雄營業所
日本總公司
富士全球
解決方案
檔案下載
客戶專區
註冊會員
會員登入
註冊會員
|
會員登入
產業
新產品
爐用變壓器
無效電力補償裝置及電壓閃爍補償裝置
條鋼壓延機用電機設備
電解用整流變壓器
爐用多頻度真空遮断器
新型富士誘導爐
產業營業技術部
發電
火力發電系統
地熱發電
水力發電
燃料電池
工業自動化產品
低壓變頻器(INVERTER)
高性能向量控制型變頻器
電梯用變頻器
緊密型變頻器
高效能多功能型變頻器G2
高性能標準型變頻器
伺服馬達(SERVO)
伺服系統
WSZ 控制器
低壓三相馬達
變頻馬達
同步馬達
富士伺服系統
人機介面(HMI)
可程式顯示器
TS2060替換指南【V806→TS2060i】
TS2060替換指南【V606e→TS2060】
TS2060替換指南【S806→TS2060】
可程式顯示器
可程式顯示器-邊緣運算
可程式顯示器
可程式控制器(PLC)
可編程控制器SPF
可編程控制器SPH
計測(INSURMENT)
流量計
固定式超音波流量計 M-FLOW
固定式超音波流量計 TIME DELTA-C
攜帶式超音波流量計 都卜勒/時間差混合型
一體式小型超音波流量計 S-FLOW
氣體分析儀
熱傳導式氣體分析儀
紅外線氣體分析儀 雙光束式
熱處理爐用紅外線氣體分析儀
雷射氣體分析儀
紅外線氣體分析儀 單光束式
氧化鋯式氧氣分析儀
氣體分析系統 ZSU-7/ HCl 灰塵
氣體分析系統 NOx SO2 CO CO2 O2
傳送器
壓力傳送器 差壓(流量)傳送器 水位計
溫控器及溫控模組
溫度控制器
精簡型溫度控制器
多迴路模組型溫度控制器
半導體
配電與控制
回路保護器
迴路保護開關 CP
空氣(Air)斷路器
低壓空氣斷路器 ACB(DH系列)
低壓空氣斷路器 ACB(DW系列)
低壓空氣斷路器 ACB(DW系列)
Sensors, Switches
FA Sensor
端子台 Terminal
雷與突波對策機器 SPD
雷與突波對策機器 辦公室・家庭用SPD CN227系列
Power monitoring equipment
各種電表
電子式多功能電表
交流電力調整器 APR
高壓受配電用保護繼電器
低壓斷路器/漏電斷路器
符合UL認證斷路器 漏電斷路器
電子式斷路器 BX EX 系列
配線用斷路器・漏電斷路器 G-TWIN Λ (Lamda) 系列
斷路器・漏電斷路器 插入式概要
低壓斷路器・漏電斷路器
高/低壓限流保險絲
低壓限流熔絲 Fuse
10-30kV 高壓 HH熔絲・隔離分段開關・負載開關
3.6kV 7.2kV 高壓限流 HH 熔絲 系列 SCF E JC JB 系列 Fuse
按鈕開關指示燈
選擇切換開關
按鈕開關 指示燈 Φ16 22 25 30
按鈕開關 指示燈 Φ16・Φ22系列
集合式指示燈 F 系列
真空斷路器
3.6kV to 36kV 真空斷路器
24kV 16kA 真空斷路器
電磁接觸器/電磁開關(MMS)
電磁接觸器 電磁開關綜合型錄
電磁接觸器 電磁開關 SC-NEXT
高壓真空電磁接觸器 HN系列
高壓負載/隔離開關
3.6kV 7.2kV 高壓隔離分段開關
3.6kV 7.2kV 高壓負載開關
泛用計時器 Card Relay
控制電驛 泛用計時器 Card Relay
已停產
富士伺服系統
小型變頻器
伺服系統
伺服系統
高效能多功能型變頻器
高性能變頻器
風扇幫浦用變頻器
請選擇需要諮詢的產品類型與我們聯繫。
台灣富士電機(股)公司 台北總公司
電話:(02)2511-1820 (代表號)
富士電機不斷革新能源技術,
提供產業與產品最新資訊。
富士電機自創業以來已有90餘年,在這悠久的歷史中,富士電機不斷革新能源技術,在產業和社會領域中為世界作出巨大貢獻。
我們提供的各種服務,涵蓋了整個客戶的設施的生命週期,從最初的安裝到他們的更新和處置。
技術維護熱線:(02) 2511-1820
首頁
產品及方案
售後及服務
售後服務
技術培訓
資料下載
關於我們
關於台灣富士電機
研究與發展
新聞活動
最新公告
展覽消息
聯繫我們
台北總公司
高雄營業所
日本總公司
0
首頁
產品介紹
低壓變頻器(INVERTER)
高性能標準型變頻器
產品搜尋
產品介紹
產業
產業營業技術部
新產品
發電
火力發電系統
汽輪機
發電機
地熱發電
水力發電
燃料電池
工業自動化產品
低壓變頻器(INVERTER)
中壓變頻器(MV INV)
伺服馬達(SERVO)
人機介面(HMI)
可程式控制器(PLC)
計測(INSURMENT)
流量計
氣體分析儀
傳送器
溫控器及溫控模組
記錄器
食品流通
自動找零機
自動販賣機
半導體
功率半導體(IGBT)
IGBT 高速型
IGBT模組 Chopper
IGBT模組 1 Pack
IGBT模組 2 Pack
IGBT模組 6 Pack
Discrete IGBT模組
IGBT模組 PIM
IGBT模組 3-level
電源控制IC
High and Low side driver IC
AC/DC 控制IC
DC/DC 控制IC
功率MOSFET
車載功率MOSFET
功率MOSFET 100-300V
功率MOSFET 400-500V
功率MOSFET 600-700V
功率MOSFET 800-900V
中耐壓溝槽系列
整流二極體
Ultra Fast Recovery
Fast Recovery Diodes (Single)
Schottky Barrier Diodes (Single)
Fast Recovery Diodes (Dual)
Schottky Barrier Diodes (Dual)
SIC功率元件
SIC混合模組
SIC Schotty-Barrier
壓力傳感器
壓力傳感元件
配電與控制
回路保護器
按鈕開關指示燈
真空斷路器
無熔絲斷路器
電磁接觸器/電磁開關(MMS)
高壓負載/隔離開關
泛用計時器 Card Relay
空氣(Air)斷路器
Sensors, Switches
Power monitoring equipment
低壓斷路器/漏電斷路器
高/低壓限流保險絲
已停產
以類別搜尋
產業
——產業營業技術部
——新產品
發電
——火力發電系統
————汽輪機
————發電機
——地熱發電
——水力發電
——燃料電池
工業自動化產品
——低壓變頻器(INVERTER)
——中壓變頻器(MV INV)
——伺服馬達(SERVO)
——人機介面(HMI)
——可程式控制器(PLC)
——計測(INSURMENT)
————流量計
————氣體分析儀
————傳送器
————溫控器及溫控模組
————記錄器
——食品流通
————自動找零機
————自動販賣機
半導體
——功率半導體(IGBT)
————IGBT 高速型
————IGBT模組 Chopper
————IGBT模組 1 Pack
————IGBT模組 2 Pack
————IGBT模組 6 Pack
————Discrete IGBT模組
————IGBT模組 PIM
————IGBT模組 3-level
——電源控制IC
————High and Low side driver IC
————AC/DC 控制IC
————DC/DC 控制IC
——功率MOSFET
————車載功率MOSFET
————功率MOSFET 100-300V
————功率MOSFET 400-500V
————功率MOSFET 600-700V
————功率MOSFET 800-900V
————中耐壓溝槽系列
——整流二極體
————Ultra Fast Recovery
————Fast Recovery Diodes (Single)
————Schottky Barrier Diodes (Single)
————Fast Recovery Diodes (Dual)
————Schottky Barrier Diodes (Dual)
——SIC功率元件
————SIC混合模組
————SIC Schotty-Barrier
——壓力傳感器
————壓力傳感元件
配電與控制
——回路保護器
——按鈕開關指示燈
——真空斷路器
——無熔絲斷路器
——電磁接觸器/電磁開關(MMS)
——高壓負載/隔離開關
——泛用計時器 Card Relay
——空氣(Air)斷路器
——Sensors, Switches
——Power monitoring equipment
——低壓斷路器/漏電斷路器
——高/低壓限流保險絲
已停產
以關鍵字搜尋
低壓變頻器(INVERTER)
1
產品名稱
高性能標準型變頻器
產品型號
FRENIC-Ace(E3)
產品規格
單一規格
主要規格
選件和周邊設備
一般規格
外形尺寸圖
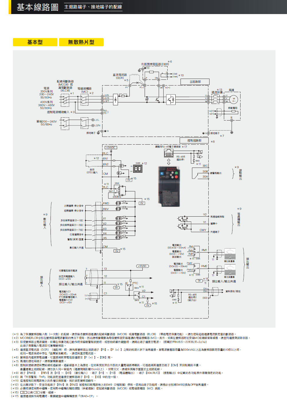
基本線路圖
主要特長
應用事例
產品系列
三相200V系列
三相400V系列
單相200V系列
Focus Tab Page Content
鍵盤
鍵盤的各部名稱與功能
鍵盤操作
功能代碼
Focus Tab Page Content
共通規格
端子功能
Focus Tab Page Content
基本型
內建Ethernet型
無散熱片型
內建EMC濾波器型
Focus Tab Page Content
高效的基本性能
豐富的產品陣容
可維護性
Focus Tab Page Content
主要用途事例
Focus Tab Page Content
型號類型
Focus Tab Page Content
已是最後一筆
已是第一筆
版權所有 ©2017 Fuji Electric Taiwan Co,.Ltd.All rights reserved.
|
隱私權政策